電子趣味の部屋

電子系のガジェットやアプリ開発等の趣味の話題を書いてます

FM音源

YAMAHAのFM音源IC(YM2413)の使い方の基礎

過去に"YAMAHAの音源IC(YMZ294)の使い方の基礎"でPSG(SSG)音源のYMZ294の使い方の基礎を説明しましたが、今回はFM音源の中で一番簡単なYM2413(OPLL)について説明します。この音源は音色データを内蔵しているので、複雑なパラメータを指定しなくてもすぐに音…

電子工作でのFM音源ICの個人評価

現在は電子工作でFM音源を扱う場合は、mbedやFPGAでエミュレートして再現したものや、YMF825BoardのようなSPI接続で簡単に扱えるものまでありますが、YAMAHAのFM音源ICについて性能ではなく、電子工作での扱いやすさの観点から評価しました。扱いやすい順で…

ArduinoでFM音源シールド作成3 (YM2413)

久しぶりにFM音源のArdunino用シールドを作ってみました。 今回はYM2413のシールドで、ArduinoでFM音源シールド作成 (YM2413)で作ったシールドを基に、もっとブラッシュアップして、基板を発注して作ってみました。 まだシルク印刷でコンデンサの極性を入れ…

SPFM Light + OPNAモジュールでPC98の86音源を再現

久しぶりにSPFM LightとOPNAモジュール Premium Editionで遊んでたので、録音して見ました。 PC98のエミュレータnp2を使用してます。 元の音が小さく動画編集ソフトで無理やり大きくしたらちょっと音質が劣化しちゃいましたが、修正する気力がないのでそのま…

久しぶりにMSX実機でFM音源を聞きたくなったので

久しぶりにMSX実機でFM音源を聞きたくなったので、簡単ですが簡単に録画をしました。MSX実機 DISK STATION 創刊準備0号 タイトル画面 MSX DISK STATION 創刊1号 タイトル画面このMSXは、MSXで遊ぶ!HB-F1XVのS端子出力改造+SDCard HxC Floppy Emulatorで紹介…

YAMAHAの音源IC(YMZ294)の使い方の基礎

いつか使ってみようと思いながら、なかなか使わずに部品箱にずっと入れている人も多いと思われる音源ICですが、やってみると意外と簡単なので、基礎を説明しようと思います。今回は、秋月電子通商でも長年販売しているYAMAHAのPSG(SSG)音源のYMZ294で説明し…

ArduinoでFM音源シールド作成2 (YM2151)

ArduinoでFM音源シールド作成 (YM2413)に続き、今度はX68000等に搭載されていたYM2151(OPM)でFM音源シールドを作成しました。今回はYM2151Shield | Web::ooISHooを参考にさせて頂きました。 回路図はここのサイトにあるYM2151ShieldKitManual-0.1.pdfを拝借…

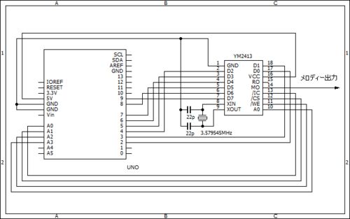
ArduinoでFM音源シールド作成 (YM2413)

FM音源を制御したいと思い、FM音源シールドを作ってみました。 今回使用した音源チップはYM2413 (OPLL)です。 これはMSXで使われていた音源です。 ピンの数が少なく、プリセットで音色が用意され、さらにはDACも内蔵してるので、一番簡単に扱えるだろうと思…